首页
(current)
公司简介
产品中心
产品应用
新闻中心
下载中心
联系我们
EN
公司简介
发展历程
企业文化
企业风采
荣誉资质
产品中心
工业控制
工业自动化
汽车电子
新能源行业
其他
产品应用
工业控制
电源能源
汽车电子
工业自动化
其他应用
新闻中心
公司动态
行业动态
下载中心
联系我们
En
<
公司简介
发展历程
企业文化
企业风采
荣誉资质
View All >
<
产品中心
工业控制
工业自动化
汽车电子
新能源行业
其他
View All >
<
产品应用
工业控制
电源能源
汽车电子
工业自动化
其他应用
View All >
<
新闻中心
公司动态
行业动态
View All >
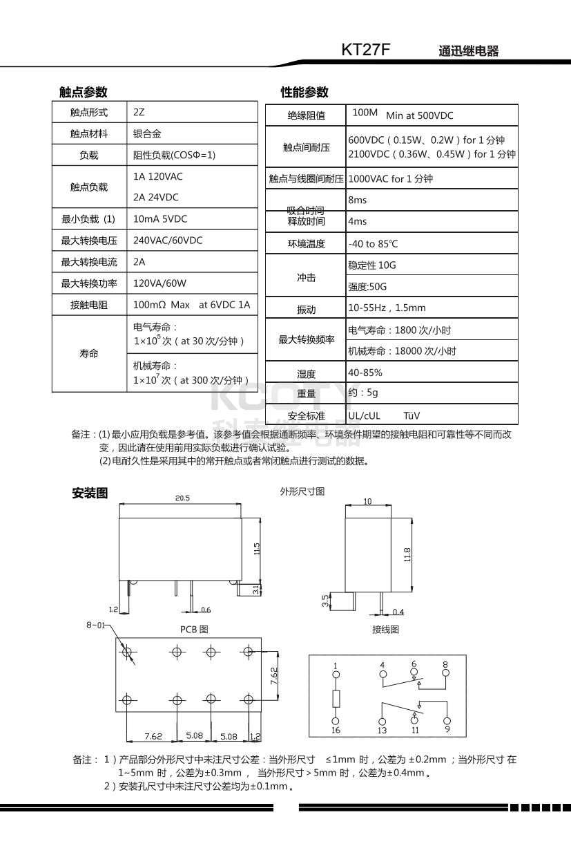
KT27F-212LZ
产品描述:
2 组转换接点(2Z)
触点负载:1A@120VAC/2A@24VDC
线圈功率:0.45W(N 档)
线圈电压:12VDC
密封类型:防助焊剂型
资料下载
KT27F-212LZ规格书
下载
技术支持:
0755-23055515
立即咨询
产品介绍
您可能还需要以下产品
KT90-112LZ-S
了解更多
KT90-112LM-S(50A)
了解更多
KT46-124DM1
了解更多
联
系
我
们
销售热线:
13971384118(骆先生)
13715000856(谢小姐)
技术支持:
13428901413(谢工)
谢小姐:
骆先生:
谢工: